栏目导航
污水处理自控系统解决方案
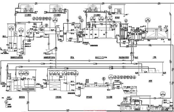
来源:火狐体育官网app 发布时间:2026-01-23 13:48:41解决方案生产的基本工艺:采用分段进水多级AO 池+高效沉淀池+反硝化滤池处理工艺
YH水厂自动化监控系统V1.0及水厂的生产管理、在线检验测试仪表系统、视频安防监控系统、脉冲电子围栏系统组成信息层。YH水厂自动化监控系统V1.0系统安全,可靠、经济实用,同时考虑工程分期实施情况,系统具有一定的开放性和可扩展性。所有系统,操作、显示在中控室操作站计算机上完成,操作站计算机作为中控室人机交互接口,通过工业以太网与生产的全部过程自动化控制管理系统及全厂管理网系统连接。在拼接屏上以多媒体形式反映整个水厂或局部工艺流程设备的运作时的状态监控画面及工艺流程参数等。
信息层基本功能:生产的全部过程各种主要工艺参数的采集;各种能耗、物耗和水量的计量和累计;生产的全部过程设备工况和工艺流程状况监测;生产的全部过程设备的计算机自动控制;生产参数的数据存储和历史回溯;生产报表的自动形成和打印;事故报警和事故打印等。最终完成污水处理厂生产的全部过程自动控制系统实现生产现场的无人值守为目的。
中央控制室设在综合楼,主要设备有:中央监控服务器、操作站计算机、数据库服务器、信息管理服务器、WEB 服务器、打印服务器、千兆核心交换机、拼接大屏幕、中央控制台、UPS电源、网络安全设备等,主要负责监测生产现场的工艺参数和设备正常运行状态及控制现场设备。其中,中央监控服务器采用冗余技术、双机热备。正常工作时,两合服务器同时工作,实时地完成同步操作,当任何一合服务器发生故障,另一合服务器将迅速接管服务。操作人员还可通过对操作站计算机的监控画面手动/自动操作完成现场可控设备的控制,和相关运行参数的修改。可以对现场控制站、现场控制单元、操作站计算机的相关软件进行维护。
根据生产现场设备和功能相对集中的特点,控制管理系统选用可编程序控制器的集散型控制管理系统,它具有分散控制、集中管理、数据共享的特点。现场可控设备除了可由操作人员通过就地箱控制外,也可PLC子站单元完成参数采集、设备控制、图形显示,提供友好的人机操作界面,同时PLC 的联网能力使各站点之间能方便可靠地传递控制参数和状态信息,模块化设计使之可以灵活配置和适应不一样的网络结构。同时也可交给PLC 进行自动控制。
视频监控系统能全天侯监视生产设备的运作状况,并配合污水处理厂自动化系统对设备管理和维护。视频监控系统能实现生产区域重要设备的监控及安防,便于中控室及值班室值班人员及时有效地发现现场问题,排除一些故障以及对警情的立即处理,保证生产的正常进行。
采用总线型脉冲电子围栏系统,由总线型脉冲电子围栏主机、脉冲电子围栏前端、智能控制终端、管理软件等部分组成。
网络安全平台USM6002-YH-E统一安全管理平台具备安全资产集中管理、安全策略集中管控、安全事件集中收集与分析功能,实现安全运营的集中可视化。可管理的安全设备包括:工业防火墙、工控安全监测与审计平台、工控主机卫士、工业互联防火墙、安全运维管理系统、入侵检测系统、日志审计与分析系统、安全隔离与信息交换系统等。
YH污水厂自动化控制管理系统解决方案预留了接入智慧水务系统的接口,利用数字孪生技术,结合数据分析打造监控、运维综合管理平台,为污水厂智慧运行提供了基础。
- 上一篇:开箱宝典_笔记本评测
- 下一篇:IPO上会在即!中科仪累计分红24亿!



24小时服务热线:15056222707
座机:0551-64535800
公司地址:中国安徽合肥市新城经济开发区禹州中央广场A区